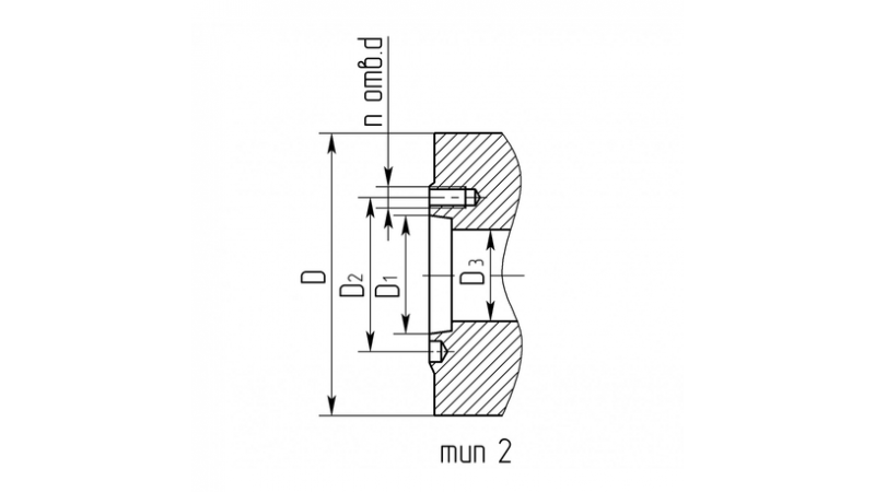
Тип 2– с креплением непосредственно на фланцевые концы шпинделей под поворотную шайбу по ГОСТ 12593
Исполнение 1 – с цельными кулачками
Обозначение по ГОСТ 2675-80 7100-0049
Комплект:
- Патрон с прямыми кулачками
- Обратные кулачки
- Ключ
- Паспорт
- Крепеж для установки патрона на шпиндель станка
Классы точности по ГОСТ 1654:
Н — Нормальный
П — Повышенный
Размеры по чертежу:
| D, мм | D1, мм | D2, мм | D3, мм | nxd | Шаг кулачка, мм | Nmax, min-1 | Макс. момент на ключе М max, Hm | Р mах, Н | Условный конус шпинделя | Размер под ключ, мм | Масса брутто, кг, не более | Объём, м3 |
|---|---|---|---|---|---|---|---|---|---|---|---|---|
| 500 | 196,869 | 235 | 190 | 6xМ20 | 14 | 700 | 360 | 72000 | 11 | 17 | 166 | 0.13 |

Размеры закрепляемых заготовок
| A | 25-280 мм |
| B | 120-380 мм |
| C | 260-500 мм |
| D | 120-380 мм |
| E | 260-500 мм |
Гарантия: 12 месяцев со дня эксплуатации, но не более 15 месяцев со дня отгрузки потребителю при наличии паспорта на данное изделие.


