Тип 1 – с цилиндрическим центрирующим пояском и с креплением через промежуточный фланец по ГОСТ 3889
Исполнение 1 – с цельными кулачками
Обозначение по ГОСТ 2675-80 7100-0017
Стандартная комплектация :
- Патрон с прямыми кулачками
- Кулачки обратные
- Ключ
- Паспорт
Классы точности по ГОСТ 1654:
Н — Нормальный
П — Повышенный
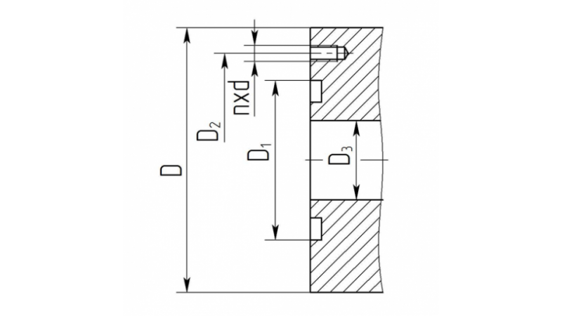
Размеры по чертежу:
| D, мм |
D1, мм | D2, мм | D3, мм | nxd | Шаг кулачка, мм | Nmax, min-1 | Макс. момент на ключе М max, Hm |
Pmax, H | Условный конус шпинделя | Размер под ключ, мм | Масса брутто, кг, не более | Объём, м3 |
|---|---|---|---|---|---|---|---|---|---|---|---|---|
| 500 | 440 | 465 | 190 | 6xМ16 | 14 | 700 | 360 | 72000 | 17 | 121 | 0.13 |

Размеры закрепляемых заготовок
| A | 25-280 мм |
| B | 120-380 мм |
| C | 260-500 мм |
| D | 120-380 мм |
| E | 260-500 мм |
Гарантия: 12 месяцев со дня эксплуатации, но не более 15 месяцев со дня отгрузки потребителю при наличии паспорта на данное изделие.


