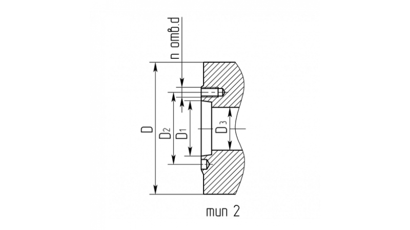
Тип 2– с креплением непосредственно на фланцевые концы шпинделей под поворотную шайбу по ГОСТ 12593
Исполнение 1– с цельными кулачками
Обозначение по ГОСТ 2675-80 7100-0045
Стандартная комплектация :
- Патрон с прямыми кулачками
- Кулачки обратные
- Ключ
- Паспорт
- Пальцы для установки на шпиндель станка
- Гайки для крепления патрона на шпиндель станка
Классы точности по ГОСТ 1654:
П — Повышенный
В — Высокий
А — Особо высокий
Размеры по чертежу:
| D, мм | D1, мм | D2, мм | D3, мм | nxd | Шаг кулачка, мм | Nmax, min-1 | Макс. момент на ключе М max, Hm | Pmax, H | Условный конус шпинделя | Размер под ключ, мм | Масса брутто, кг, не более | Объём, м3 |
|---|---|---|---|---|---|---|---|---|---|---|---|---|
| 400 | 196,869 | 235 | 136 | 6xМ20 | 10 | 1600 | 280 | 65000 | 11 | 17 | 106 | 0,063 |

Размеры закрепляемых заготовок
| A | 20-200 мм |
| B | 100-280 мм |
| C | 200-380 мм |
| D | 120-320 мм |
| E | 320-400 мм |
Гарантия: 12 месяцев со дня эксплуатации, но не более 15 месяцев со дня отгрузки потребителю при наличии паспорта на данное изделие.


