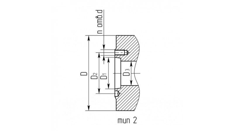
Тип 2 – с креплением непосредственно на фланцевые концы шпинделей под поворотную шайбу по ГОСТ 12593
Исполнение 1- с цельными кулачками
Обозначение по ГОСТ 2675-80 7100-0041
Стандартная
комплектация :
комплектация :
- Патрон с прямыми кулачками
- Кулачки обратные
- Ключ
- Паспорт
- Пальцы для установки на шпиндель станка
- Гайки для крепления патрона на шпиндель станка
Классы точности по ГОСТ 1654:
П — Повышенный
В — Высокий
А — Особо высокий
Размеры по чертежу:
| D, мм | D1, мм | D2, мм | D3, мм | nxd | Шаг кулачка, мм | Nmax, min-1 | Макс. момент на ключе М max, Hm | Pmax, H | Условный конус шпинделя | Размер под ключ, мм | Масса брутто, кг, не более | Объём, м3 |
|---|---|---|---|---|---|---|---|---|---|---|---|---|
| 315 | 139,719 | 171,4 | 100 | 4xМ16 | 10 | 2800 | 200 | 55000 | 8 | 14 | 63 | 0,043 |
Размеры закрепляемых заготовок
| A | 10-140 мм |
| B | 90-220 мм |
| C | 160-290 мм |
| D | 95-220 мм |
| E | 180-310 мм |
Гарантия: 12 месяцев со дня эксплуатации, но не более 15 месяцев со дня отгрузки потребителю при наличии паспорта на данное изделие.


