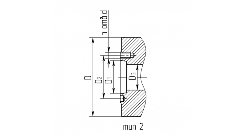
Тип 2 – с креплением непосредственно на фланцевые концы шпинделей под поворотную шайбу по ГОСТ 12593
Исполнение 1- с цельными кулачками
Обозначение по ГОСТ 2675-80 7100-0035
Стандартная
комплектация :
комплектация :
- Патрон с прямыми кулачками
- Кулачки обратные
- Ключ
- Паспорт
- Крепёж для установки патрона на шпиндель станка
Классы точности по ГОСТ 1654:
В — Высокий
А — Особо высокий
Размеры по чертежу:
| D, мм | D1, мм | D2, мм | D3, мм | nxd | Шаг кулачка, мм | Nmax, min-1 | Макс. момент на ключе М max, Hm | Pmax, H | Условный конус шпинделя | Размер под ключ, мм | Масса брутто, кг, не более | Объём, м3 |
|---|---|---|---|---|---|---|---|---|---|---|---|---|
| 250 | 106,375 | 133,4 | 80 | 4хМ12 | 9 | 3500 | 180 | 46000 | 6 | 12 | 38 | 0,027 |
Размеры закрепляемых заготовок

| A | 6-120 мм |
| B | 70-180 мм |
| C | 140-250 мм |
| D | 85-195 мм |
| E | 155-265 мм |
Гарантия: 12 месяцев со дня эксплуатации, но не более 15 месяцев со дня отгрузки потребителю при наличии паспорта на данное изделие.


