Тип 2– с креплением непосредственно на фланцевые концы шпинделей под поворотную шайбу по ГОСТ 12593
Исполнение 1– с цельными кулачками
Обозначание по ГОСТ 2675-80 7100-0033
Сдандартная
комплектация :
комплектация :
- Патрон с прямыми кулачками
- Кулачки обратные
- Ключ
- Паспорт
- Пальцы для установки на шпиндель станка
- Гайки для крепления патрона на шпиндель станка
Классы точности по ГОСТ 1654:
П — Повышенный
В — Высокий
А — Особо высокий
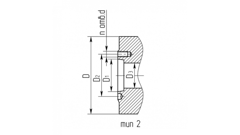
Размеры по чертежу:
| D, мм | D1, мм | D2, мм | D3, мм | nxd | Шаг кулачка, мм | Nmax, min-1 | Макс. момент на ключе М max, Hm | Pmax, H | Условный конус шпинделя | Размер под ключ, мм | Масса брутто, кг, не более | Объём, м3 |
|---|---|---|---|---|---|---|---|---|---|---|---|---|
| 200 | 106,375 | 133,4 | 60 | 4xM12 | 8 | 4000 | 160 | 37000 | 6 | 12 | 24 | 0,022 |
Размеры закрепляемых заготовок
| A | 6-95 мм |
| B | 65-150 мм |
| C | 125-210 мм |
| D | 60-145 мм |
| E | 120-205 мм |
Гарантия: 12 месяцев со дня эксплуатации, но не более 15 месяцев со дня отгрузки потребителю при наличии паспорта на данное изделие.


