Тип 1 – с цилиндрическим центрирующим пояском и с креплением через промежуточный фланец по ГОСТ 3889
Исполнение 1 – с цельными кулачками
Материал: чугун
Обозначание по ГОСТ 2675-80 7100-0005
Сдандартная
комплектация :
комплектация :
- Патрон с прямыми кулачками
- Кулачки обратные
- Ключ
- Паспорт
Классы точности по ГОСТ 1654:
П — Повышенный
В — Высокий
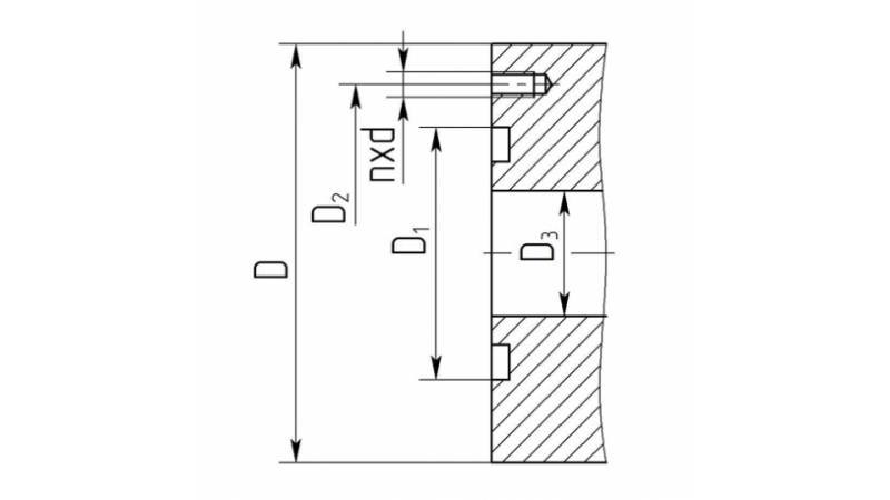
Размеры по чертежу:
| D, мм | D1, мм | D2, мм | D3, мм | nxd | Шаг кулачка, мм | Nmax, min-1 | Макс. момент на ключе М max, Hm | Р mах Н | Условный конус шпинделя | Размер под ключ, мм | Масса брутто, кг, не более | Объём, м3 |
|---|---|---|---|---|---|---|---|---|---|---|---|---|
| 160 | 130 | 142 | 45 | 6xM8 | 7 | 2200 | 125 | 31000 | - | 9 | 10 | 0,007 |
Размеры закрепляемых заготовок

| A | 4-70 мм |
| B | 45-105 мм |
| C | 110-170 мм |
| D | 65-125 мм |
| E | 100-160 мм |
Гарантия: 12 месяцев со дня эксплуатации, но не более 15 месяцев со дня отгрузки потребителю при наличии паспорта на данное изделие.


