Тип 1 – с цилиндрическим центрирующим пояском и с креплением через промежуточный фланец по ГОСТ 3889
Исполнение 1 – с цельными кулачками
Обозначение по ГОСТ 2675-80 7100-0003
Стандартная комплектация:
- Патрон с прямыми кулачками
- Кулачки обратные
- Ключ
- Паспорт
Классы точности по ГОСТ 1654:
П — Повышенный
В
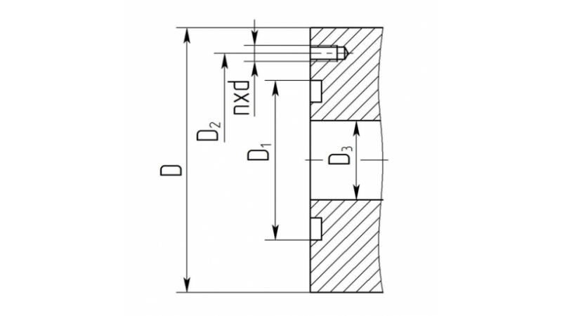
— ВысокийРазмеры по чертежу:
| D, мм | D1, мм | D2, мм | D3, мм | nxd | Шаг кулачка, мм | Nmax, min-1 | Макс. момент на ключе М max, Hm | Pmax, H | Условный конус шпинделя | Размер под ключ, мм | Масса брутто, кг, не более | Объём, м3 |
|---|---|---|---|---|---|---|---|---|---|---|---|---|
| 125 | 95 | 108 | 32 | 3xM8 | 7 | 2500 | 75 | 24000 | - | 9 | 6,0 | 0,005 |
Размеры закрепляемых заготовок

| A | 4-45 мм |
| B | 40-80 мм |
| C | 70-110 мм |
| D | 40-80 мм |
| E | 80-120 мм |
Гарантия: 12 месяцев со дня эксплуатации, но не более 15 месяцев со дня отгрузки потребителю при наличии паспорта на данное изделие.


