Тип 1 – с цилиндрическим центрирующим пояском и с креплением через промежуточный фланец по ГОСТ 3889
Исполнение 1 – с цельными кулачками
Обозначание по ГОСТ 2675-80 7100-0001
Сдандартная
комплектация :
комплектация :
- Патрон с прямыми кулачками
- Кулачки обратные
- Ключ
- Паспорт
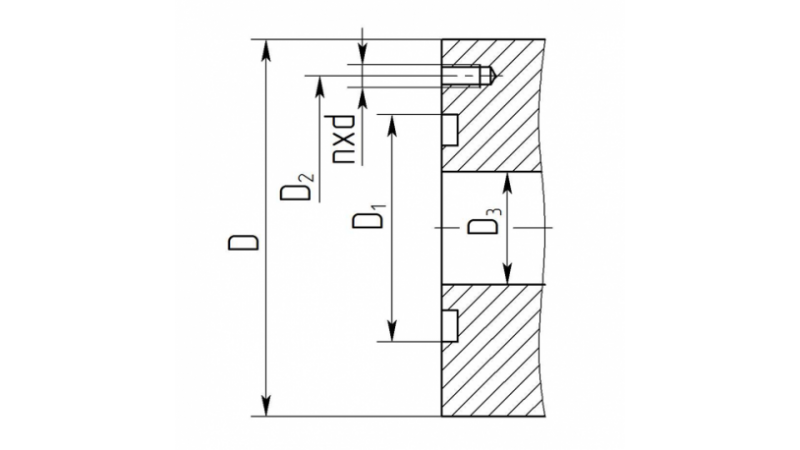
Размеры по чертежу:
| D, мм |
D1, мм |
D2, мм |
D3,
мм |
nxd |
Шаг кулачка, мм |
Nmax, min-1 |
Макс. момент на ключе М max, |
Pmax, H |
Условный конус шпинделя |
Размер под ключ, мм |
Масса брутто, кг, не более |
Объём, м3 |
|---|---|---|---|---|---|---|---|---|---|---|---|---|
| 80 | 55 | 66 | 16,5 | 3xM6 | 6 | 4000 | 35 | 10000 | - | 6 | 2,7 | 0,002 |
Размеры закрепляемых заготовок

| A | 3-25 мм |
| B | 25-45 мм |
| C | 45-65 мм |
| D | 30-50 мм |
| E | 50-70 мм |


