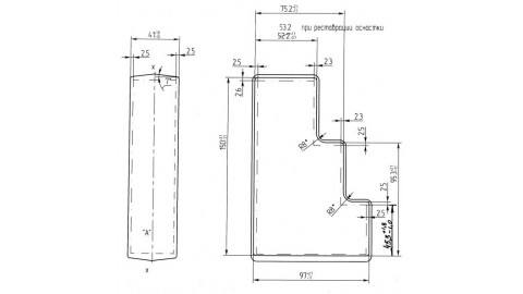
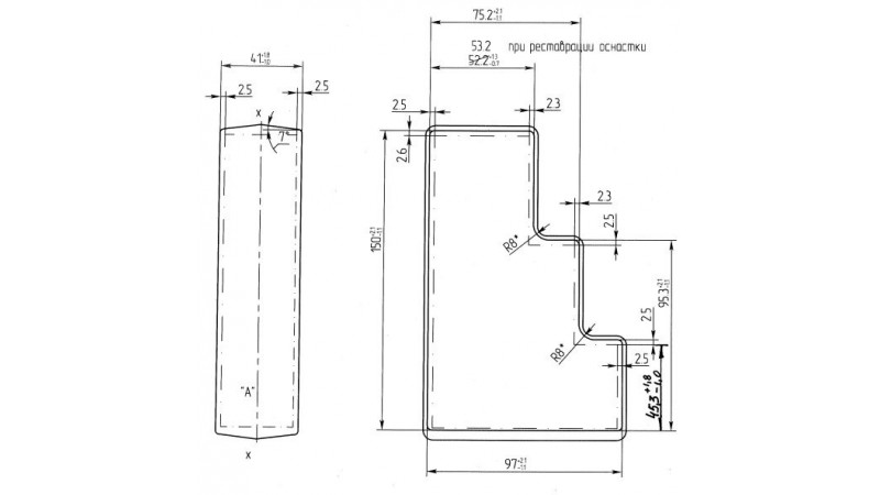
Поковка кулачка 7100-0045-004
- Поковка гр II HB 174..217 ГОСТ 8479-70.
- Материал - сталь 25ХГТ ГОСТ 4543-71, материал-заменитель: 18ХГТ ГОСТ-4543-74.
- Групп стали М2; степень сложности С1; класс точности Т5, инд.14 ГОСТ 7505-89.
- Штамповочные уклоны - 7 градусов.
- Неуказанные радиусы -2,0мм.
- Величина остаточного облоя до 0,9мм. в местах R8* до 1,8мм.
- В месте "А" допускается след от выталкивателя d25 глубиной до 1,2мм.
- Смещение по линии разъема до 0,7мм.
- Поковку очистить от окалины.
- *Размеры для инструмента.
- Остальные ТТ по ГОСТ 8479-70, ГОСТ 7505-89

